Researchers from the Al-Ahliyya Amman University in Jordan and the Addis Ababa Science and Technology University in Ethiopia have developed a new methodology to track global maximum power point (GMPP) in partially shaded PV systems.
The GMPP defines the ability of an inverter to sweep the IV curve of a PV system and identify the array voltage at which the global maximum power point occurs. When a PV system is under partially shaded conditions, its output power-voltage characteristic curve generates multiple local peaks. Under these conditions, the conventional Maximum Power Point Tracking (MPPT) methods could fail to maximize the output power as they track the local maximum power point (MPP) instead of the global MPP (GMPP).
“Our model yields benefits by simulating 33% less power loss, showcasing a capitalization that is less than three times compared to alternative stability methods,” the scientists said.
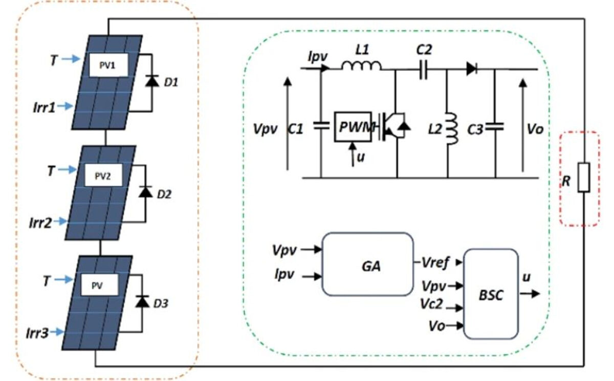
The proposed methodology is based on the genetic algorithm (GA), which is able to solve constrained and unconstrained optimization problems based on a natural selection process that mimics biological evolution, and the backstepping controller (BSC), which is a recursive technique that is commonly utilized to extract the maximum power from the PV system. It works by breaking down the nonlinear control problem into a series of simpler subsystems.
The BSC algorithm adjusts the pulse width modulation (PWM) signal, which governs the system’s operation through the converter connected to the load, while the GA algorithm computes the BSC gains to achieve an optimal PV system outcome. “The main objective is to ascertain the ideal voltage of the photovoltaic (PV) module, which is constrained within the range of 0 V and the open-circuit voltage,” the researchers explained.
The group tested the novel approach in a simulated PV system located in Maroua, Cameroon. It consisted of three 55 W panels interconnected in series, a DC–DC converter, and a resistive load with a value of 150 Ω. “There is a noticeable and significant rise in temperature in the specified area, characterized by arid conditions and high temperatures similar to those found in a semi-desert climate,” the academics explained.
They said the proposed technique was able to achieve the PV system stabilization in just 0.06 seconds while showing “exceptional” resilience. They also noted, however, that the new methodology has to be validated by future experiments. “Our method accurately detected and mitigated partial shading effects, aiming for the global maximum power point to minimize energy loss,” they concluded.
Their findings were introduced in the paper “Enhancing MPPT performance for partially shaded photovoltaic arrays through backstepping control with Genetic Algorithm-optimized gains,” published in Scientific Reports.
This content is protected by copyright and may not be reused. If you want to cooperate with us and would like to reuse some of our content, please contact: editors@pv-magazine.com.

4 comments
By submitting this form you agree to pv magazine using your data for the purposes of publishing your comment.
Your personal data will only be disclosed or otherwise transmitted to third parties for the purposes of spam filtering or if this is necessary for technical maintenance of the website. Any other transfer to third parties will not take place unless this is justified on the basis of applicable data protection regulations or if pv magazine is legally obliged to do so.
You may revoke this consent at any time with effect for the future, in which case your personal data will be deleted immediately. Otherwise, your data will be deleted if pv magazine has processed your request or the purpose of data storage is fulfilled.
Further information on data privacy can be found in our Data Protection Policy.